Sale Off
12AAB414 Mitutoyo SJ-400 Series Deep Hole Stylus 3X Surface Roughness Tester Accessories Mitutoyo

12AAB414 Mitutoyo SJ-400 Series Deep Hole Stylus 3X

$ 848.00$ 806.00

Customer Reviews

Product Description

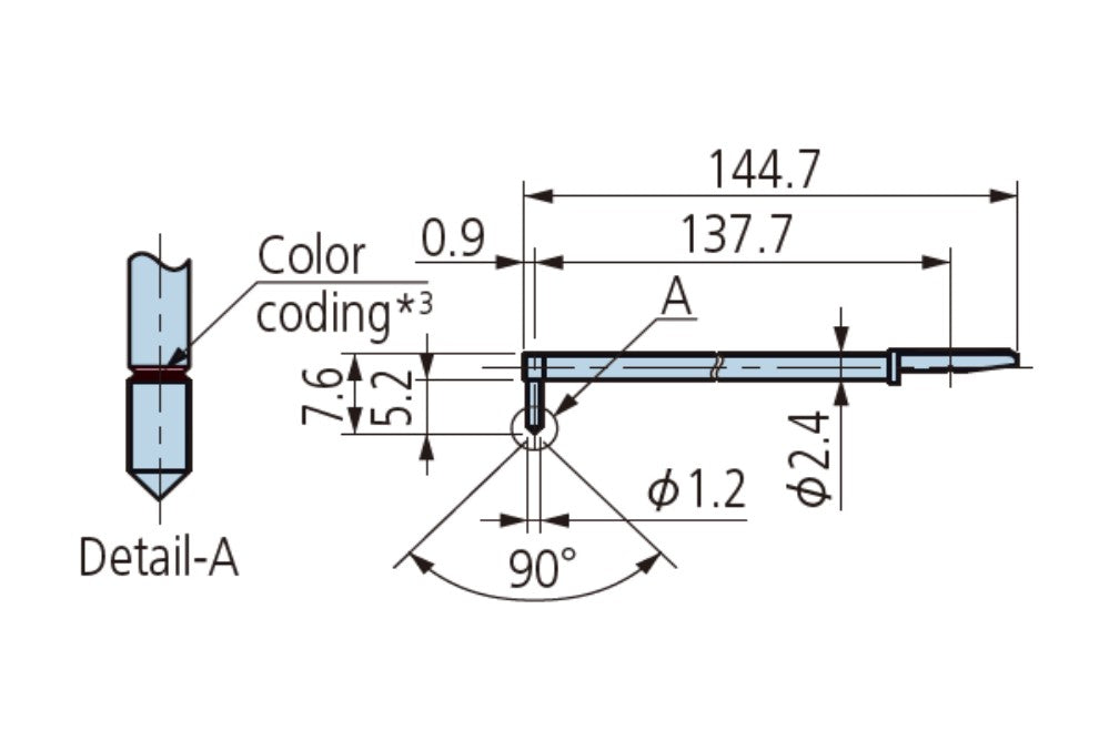
Mitutoyo SJ-411 / SJ-412 Surface Roughness Tester Deep Hole Stylus

The Standard Detector for the Mitutoyo Surface Roughness Tester model SJ-400 series has an overall length of 44.7mm.

This Deep Hole Stylus for the Mitutoyo SJ-400 Series of Surface Roughness Testers is three times the length of the standard stylus, allowing you to measure the surface roughness in hard to reach locations.

This Deep Hole Stylus works with Both The SJ-411 & SJ-412.

Features include...

  • 144.7mm Overall Length
  • 5um Tip Radius
  • Groove Depths up to 5.2mm deep
  • 90° Tip Angle