Sale Off
178-398 Mitutoyo SJ-210 and SJ-310 Gear Tooth Detector Mitutoyo Surface Roughness Tester Accessories Mitutoyo

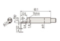
178-398 Mitutoyo SJ-210 and SJ-310 Gear Tooth Detector

$ 2,390.00$ 2,270.50

Customer Reviews

Product Description

Mitutoyo Surface Roughness Gear Tooth Detector

The Standard Detector for the Mitutoyo Surface Roughness Tester models SJ-210 & SJ-310 has a measuring tip that is about 2.4mm tall and is designed to measure the roughness of flat surfaces.

Mitutoyo designed this Surface Roughness Detector specifically to allow you to be able to measure the surface roughness of gear teeth with either a Mitutoyo Surftest SJ-210 or SJ-310.

The Mitutoyo Surface Roughness Tester models SJ-210 & SJ-310 are both available in 2 different models, the Standard Force model and the Low Force model.

  • The Standard Force model uses 4 mN measuring force during the measurement.
  • The Low Force model uses 0.75 mN measuring force during the measurement.

This Gear Tooth Detector is designed to be used with the Standard Force models of the SJ-210 & SJ310.

Features include...

  • 4mN Measuring Force
  • 5umR Tip Radius
  • 90° Tip Angle